I=0.02CV or 5mA,whichever is smaller
I: Where, I : Max. leakage current(µA)、C: Nominal capacitance(µF)、Rated voltage (V)at 20℃after 5 minutes)
Dissipation Factor(tanδ)
Shall not exceed the values shown in the standard ratings 20℃/120HZ
Low Temperature characteristics
Capacitance change C(-25℃)/C(+20℃)≥0.7 20℃/120HZ
Insulation Resistance
When measured between the terminals that are connected to each other and to the mounting clamp on the insulating sleeve covering the case by using an insulation resistance meter of 500Vdc, the insulation resistance shall not be less than 100mΩ
Insulation Withstanding Voltage
When a voltage of 2,000Vac is applied for 1 minute between the terminals that are connected to each other and to the mounting clamp on the insulating sleeve covering the case, there shall not be electrical damage.。
Endurance
The following specifications shall be satisfied when the capacitors are restored to 20℃ after subjected to DC voltage with the rated ripple current is applied (the peak voltage shall not exceed the rated voltage) for 2,000 hours at 85℃。
Capacitance change
≤±20% of the initial value
D.F. (tanδ)
≤200% of the initial specified value
Leakage current
≤The initial specified value
Shelf Life
The following specifications shall be satisfied when the capacitors are restored to 20℃ after exposing them for 500 hours at 85℃ without voltage applied. Before the measurement, the capacitor shall be preconditioned by applying voltage according to Item 4.1 of JIS C 5101-4
Capacitance change
≤±20% of the initial value
D.F. (tanδ)
≤150% of the initial specified value
Leakage current
≤The initial specified value
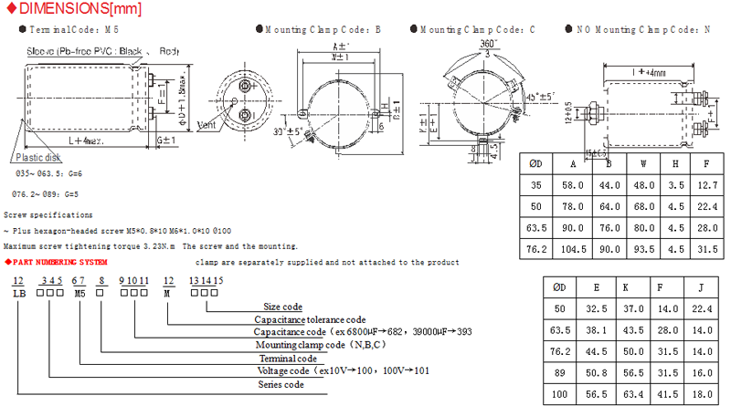
Please refer to "Product code guide (screw-mount terminal type)"
Product specifications in this catalog are subject to change without notice. Request our product specifications before purchase and/or use. Please use
our products based on the information contained in this catalog and product specifications SRANDRAD RATINGS
W.V[Vdc]
cap[μF]
Case sizeD x L[mm]
tanδ120HZ,20℃[mΩ]
Rated ripple current
(Ams/85℃,120HZ))
Part NO.
10V
39000
35*50
0.60
4.7
LB100M5B393MA50
82000
35*80
0.60
7.4
LB100M5B823MA80
100000
35*100
0.70
8.0
LB100M5B104MAA0
120000
35*120
0.70
9.4
LB100M5B124MAC0
150000
50*80
0.90
9.8
LB100M5C154MC80
220000
50*100
1.0
12.1
LB100M5C224MCA0
270000
50*120
1.2
13.6
LB100M5C274MCC0
390000
63.5*100
1.5
15.3
LB100M5C394MDA0
470000
63.5*120
2.0
16.0
LB100M5C474MDC0
560000
76.2*100
2.5
17.3
LB100M5C564MEA0
680000
76.2*120
3.0
18.7
LB100M5C684MEC0
16V
27000
35*50
0.45
4.2
LB160M5B273MA50
56000
35*80
0.60
6.5
LB160M5B563MA80
82000
35*100
0.70
8.0
LB160M5B823MAA0
100000
35*120
0.70
9.6
LB160M5B104MAC0
120000
50*80
0.80
9.6
LB160M5C124MC80
150000
50*100
0.90
11.2
LB160M5C154MCA0
220000
50*120
1.0
14.2
LB160M5C224MCC0
270000
63.5*100
1.2
15.3
LB160M5C274MDA0
330000
63.5*120
1.3
17.1
LB160M5C334MDC0
390000
76.2*100
1.6
18
LB160M5C394MEA0
470000
76.2*120
1.8
19.3
LB160M5C474MEC0
560000
76.2*140
2.0
20.7
LB160M5C564MEE0
25V
18000
35*50
0.35
4.0
LB250M5B183MA50
39000
35*80
0.40
6.2
LB250M5B393MA80
47000
35*100
0.40
7.4
LB250M5B473MAA0
56000
35*120
0.45
8.3
LB250M5B563MAC0
82000
50*80
0.50
9.7
LB250M5C823MC80
100000
50*100
0.60
10.8
LB250M5C104MCA0
120000
50*120
0.60
12.8
LB250M5C124MCC0
180000
63.5*100
0.75
14.7
LB250M5C184MDA0
220000
63.5*120
0.80
16.8
LB250M5C224MDC0
270000
76.2*100
0.90
18.3
LB250M5C274MEA0
330000
76.2*120
1.0
20.7
LB250M5C334MEC0
390000
76.2*140
1.2
22.1
LB250M5C394MEE0
560000
89*140
1.5
25.8
LB250M5C564MFE0
35V
15000
35*50
0.30
3.9
LB350M5B153MA50
33000
35*80
0.40
6.0
LB350M5B333MA80
39000
35*100
0.40
7.0
LB350M5B393MAA0
47000
35*120
0.45
8.0
LB350M5B473MAC0
68000
50*80
0.50
9.0
LB350M5C683MC80
82000
50*100
0.55
10.3
LB350M5C823MCA0
120000
50*120
0.60
12.8
LB350M5C124MCC0
150000
63.5*100
0.70
14.0
LB350M5C154MDA0
180000
63.5*120
0.70
16.6
LB350M5C184MDC0
220000
76.2*100
0.75
17.3
LB350M5C224MEA0
270000
76.2*120
0.80
19.8
LB350M5C274MEC0
330000
76.2*140
0.90
22.5
LB350M5C334MEE0
470000
89*140
1.0
28.3
LB350M5C474MFE0
50V
10000
35*50
0.20
4.1
LB500M5B103MA50
18000
35*80
0.20
5.2
LB500M5B183MA80
22000
35*100
0.30
5.9
LB500M5B223MAA0
27000
35*120
0.35
6.6
LB500M5B273MAC0
39000
50*80
0.40
7.4
LB500M5C393MC80
56000
50*100
0.40
9.8
LB500M5C563MCA0
68000
50*120
0.45
11.1
LB500M5C683MCC0
82000
63.5*100
0.50
12.2
LB500M5C823MDA0
120000
63.5*120
0.50
16.0
LB500M5C124MDC0
150000
76.2*120
0.60
18.1
LB500M5C154MEC0
180000
76.2*140
0.70
19.5
LB500M5C184MEE0
270000
89*140
0.80
24.6
LB500M5C274MFE0
63V
5600
35*50
0.20
3.0
LB630M5B562MA50
10000
35*80
0.20
4.0
LB630M5B103MA80
15000
35*100
0.20
5.3
LB630M5B153MAA0
18000
35*120
0.20
6.2
LB630M5B183MAC0
22000
50*80
0.30
6.5
LB630M5C223MC80
33000
50*100
0.35
8.1
LB630M5C333MCA0
39000
50*120
0.35
9.6
LB630M5C393MCC0
47000
63.5*100
0.40
10.20
LB630M5C473MDA0
68000
63.5*120
0.40
13.3
LB630M5C683MDC0
100000
76.2*120
0.45
17.1
LB630M5C104MEC0
120000
76.2*140
0.50
19.0
LB630M5C124MEE0
150000
89*140
0.55
22.0
LB630M5C154MFE0
80V
3300
35*50
0.15
2.5
LB800M5B332MA50
6800
35*80
0.20
3.7
LB800M5B682MA80
10000
35*100
0.20
4.9
LB800M5B103MAA0
12000
35*120
0.20
5.4
LB800M5B123MAC0
15000
50*80
0.20
6.0
LB800M5C153MC80
22000
50*100
0.30
7.1
LB800M5C223MCA0
27000
50*120
0.30
8.6
LB800M5C273MCC0
33000
63.5*100
0.35
9.3
LB800M5C333MDA0
47000
63.5*120
0.35
12.0
LB800M5C473MDC0
68000
76.2*120
0.35
15.4
LB800M5C683MEC0
82000
76.2*140
0.35
18.1
LB800M5C823MEE0
100000
89*140
0.40
21.0
LB800M5C104MFE0
150000
89*220
0.45
24.0
LB800M5C154MFN0
100V
2200
35*50
0.10
2.5
LB101M5B222MA50
4700
35*80
0.15
3.4
LB101M5B472MA80
6800
35*100
0.15
4.2
LB101M5B682MAA0
8200
35*120
0.15
5.0
LB101M5B822MAC0
10000
50*80
0.20
5.2
LB101M5C103MC80
18000
50*120
0.20
8.1
LB101M5C183MCC0
22000
63.5*100
0.20
8.6
LB101M5C223MDA0
27000
63.5*120
0.20
10.3
LB101M5C273MDC0
33000
76.2*100
0.20
11.1
LB101M5C333MEA0
39000
76.2*120
0.20
12.4
LB101M5C393MEC0
47000
76.2*140
0.20
14.3
LB101M5C473MEE0
68000
89*140
0.30
18.0
LB101M5C683MFE0
160V
3300
35*120
0.20
14.0
LB161M5B332MAC0
3900
50*75
0.20
14.4
LB161M5C392MC75
4700
50*75
0.20
15.8
LB161M5C472MC75
5600
50*96
0.20
19.0
LB161M5C562MC96
6800
50*96
0.20
21.0
LB161M5C682MC96
8200
50*115
0.20
24.7
LB161M5C822MCB5
10000
63.5*96
0.20
28.0
LB161M5C103MD96
12000
63.5*96
0.20
30.6
LB161M5C123MD96
15000
63.5*130
0.20
38.6
LB161M5C153MDD0
18000
63.5*130
0.20
42.2
LB161M5C183MDD0
22000
76.2*130
0.20
49.4
LB161M5C223MED0
27000
76.2*130
0.20
54.7
LB161M5C273MED0
33000
89*130
0.20
64.2
LB161M5C333MFD0
39000
89*155
0.20
75.3
LB161M5C393MFF5
200V
2200
35*100
0.20
10.6
LB201M5B222MAA0
2700
35*120
0.20
12.7
LB201M5B272MAC0
3300
50*75
0.20
13.3
LB201M5C332MC75
3900
50*75
0.20
14.4
LB201M5C392MC75
4700
50*96
0.20
17.4
LB201M5C472MC96
5600
50*115
0.20
20.4
LB201M5C562MCB5
6800
50*130
0.20
23.7
LB201M5C682MCD0
8200
63.5*96
0.20
25.4
LB201M5C822MD96
10000
63.5*96
0.20
28.0
LB201M5C103MD96
12000
76.2*96
0.20
32.6
LB201M5C123ME96
15000
76.2*96
0.20
39.0
LB201M5C153ME96
18000
76.2*130
0.20
44.6
LB201M5C183MED0
22000
76.2*155
0.20
53.0
LB201M5C223MEF5
27000
89*130
0.20
58.2
LB201M5C273MFD0
33000
89*155
0.20
69.0
LB201M5C333MFF5
36000
89*189
0.20
73.0
LB201M5C333MFK0
39000
89*220
0.20
80.0
LB201M5C333MFN0
250V
1500
35*100
0.20
8.7
LB251M5B152MAA0
1800
35*100
0.20
9.5
LB251M5B182MAA0
2200
50*75
0.20
10.8
LB251M5C222MC75
2700
50*75
0.20
12.0
LB251M5C272MC75
3300
50*96
0.20
14.6
LB251M5C332MC96
3900
50*115
0.20
17.0
LB251M5C392MCB5
4700
63.5*96
0.20
19.2
LB251M5C472MD96
5600
63.5*96
0.20
21.0
LB251M5C562MD96
6800
63.5*115
0.20
24.7
LB251MC682MDB5
8200
63.5*115
0.20
27.1
LB251M5C822MDB5
10000
63.5*130
0.20
31.5
LB251M5C103MDD0
12000
76.2*115
0.20
34.8
LB251M5C123MEB5
15000
76.2*130
0.20
40.8
LB251M5C153MED0
18000
76.2*155
0.20
47.8
LB251M5C183MEF5
20000
89*155
0.20
56.5
LB251M5C223MFF5
350V
390
35*50
0.20
4.5
LB351M5B391MA50
470
35*85
0.20
5.8
LB351M5B471MA85
560
35*85
0.20
6.4
LB351M5B561MA85
680
35*85
0.20
7.0
LB351M5B681MA85
820
35*100
0.20
8.3
LB351M5B821MAA0
1000
35*100
0.20
9.2
LB351M5B102MAA0
1200
50*75
0.20
10.3
LB351M5C122MC75
1500
50*75
0.20
11.5
LB351M5C152MC75
1800
50*96
0.20
13.9
LB351M5C182MC96
2200
50*96
0.20
15.4
LB351M5C222MC96
2700
50*130
0.20
19.3
LB351M5C272MCD0
3300
50*130
0.20
21.4
LB351M5C332MCD0
3900
63.5*115
0.20
24.2
LB351M5C392MDB5
4700
63.5*130
0.20
27.9
LB351M5C472MDD0
5600
76.2*115
0.20
30.7
LB351M5C562MEB5
6800
76.2*130
0.20
35.4
LB351M5C682MED0
8200
76.2*155
0.20
41.7
LB351M5C822MEF5
10000
89*155
0.20
49.0
LB351M5C103MFF5
12000
89*155
0.20
54.1
LB351M5C123MFF5
15000
89*189
0.20
66.2
LB351M5C153MFK0
18000
89*220
0.20
77.9
LB351M5C183MFN0
400V
330
35*50
0.20
4.1
LB401M5B331MA50
390
35*85
0.20
5.3
LB401M5B391MA85
470
35*85
0.20
5.8
LB401M5B471MA85
560
35*85
0.20
6.4
LB401M5B561MA85
680
35*100
0.20
7.6
LB401M5B681MAA0
820
35*100
0.20
8.3
LB401M5B821MAA0
1000
50*75
0.20
9.4
LB401M5C102MC75
1200
50*75
0.20
10.3
LB401M5C122MC75
1500
50*96
0.20
12.7
LB401M5C152MC96
1800
50*96
0.20
13.9
LB401M5C182MC96
2200
50*130
0.20
17.4
LB401M5C222MCD0
2700
63.5*96
0.20
18.8
LB401M5C272MD96
3300
63.5*115
0.20
22.2
LB401M5C332MDB5
3900
63.5*130
0.20
25.4
LB401M5C392MDD0
4700
76.2*115
0.20
28.2
LB401M5C472MEB5
5600
76.2*130
0.20
32.2
LB401M5C562MED0
6800
76.2*155
0.20
38.5
LB401M5C682MEF5
8200
89*155
0.20
44.4
LB401M5C822MFF5
10000
89*155
0.20
49.4
LB401M5C103MFF5
12000
89*189
0.20
59.1
LB401M5C123MFK0
15000
89*220
0.20
71.1
LB401M5C153MFN0
450V
270
35*50
0.20
3.7
LB451M5B271MA50
330
35*85
0.20
4.9
LB451M5B331MA85
390
35*85
0.20
5.3
LB451M5B391MA85
470
35*85
0.20
5.8
LB451M5B471MA85
560
35*100
0.20
6.9
LB451M5B561MAA0
680
35*100
0.20
7.6
LB451M5B681MAA0
820
50*75
0.20
8.6
LB451M5C821MC75
1000
50*75
0.20
9.4
LB451M5C102MC75
1200
50*96
0.20
11.4
LB451M5C122MC96
1500
50*115
0.20
13.7
LB451M5C152MCB5
1800
50*130
0.20
15.8
LB451M5C182MCD0
2200
63.5*96
0.20
17
LB451M5C222MD96
2700
63.5*115
0.20
20.20
LB451M5C272MDB5
3300
63.5*130
0.20
23.4
LB451M5C332MDD0
3900
76.2*115
0.20
25.6
LB451M5C392MEB5
4700
76.2*130
0.20
29.4
LB451M5C472MED0
5600
76.2*155
0.20
34.6
LB451M5C562MEF5
6800
89*155
0.20
40.5
LB451M5C682MFF5
8200
89*155
0.20
44.6
LB451M5C822MFF5
10000
89*189
0.20
53.9
LB451M5C103MFK0
12000
89*220
0.20
63.8
LB451M5C123MFN0
500V
1200
50*115
0.20
12.2
LB501M5C122MCB5
63.5*96
0.20
12.5
LB501M5C122MD96
1500
50*130
0.20
14.3
LB501M5C152MCD0
63.5*96
0.20
13.9
LB501M5C152MD96
1800
63.5*115
0.20
16.4
LB501M5C182MDB5
2200
63.5*130
0.20
19.0
LB501M5C222MDD0
2700
76.2*115
0.20
21.3
LB501M5C272MEB5
3300
76.2*130
0.20
24.6
LB501M5C332MED0
3900
76.2*155
0.20
28.7
LB501M5C392MEF5
4700
76.2*170
0.20
32.9
LB501M5C472MEH0
89*130
0.20
31.4
LB501M5C472MFD0
5600
76.2*189
0.20
37.8
LB501M5C562MEK0
89*155
0.20
36.7
LB501M5C562MFF5
6800
89*170
0.20
41.8
LB501M5C682MFF5
8200
89*189
0.20
48.5
LB501M5C822MFK0
100*170
0.20
47.1
LB501M5C822MGH0
10000
89*220
0.20
57.9
LB501M5C103MFN0
100*189
0.20
54.3
LB501M5C103MGK0
12000
100*220
0.20
64.1
LB501M5C123MGN0
550V
820
50*85
0.25
3.32
LB551M5C821MC85
1200
50*115
0.25
4.6
LB551M5C122MCB5
1500
63.5*96
0.25
5.42
LB551M5C152MD96
1800
76.2*80
0.25
6.12
LB551M5C182ME80
2200
76.2*96
0.25
7.3
LB551M5C222ME96
2700
76.2*115
0.25
8.73
LB551M5C272MEB5
3300
76.2*150
0.25
10.2
LB551M5C332MEF5
5600
89*189
0.25
14.5
LB551M5C562MFK0
6800
76.2*220
0.28
16.3
LB551M5C562MFN0
600V
1200
63.5*96
0.20
6.7
LB601M5C122MD96
1500
63.5*115
0.20
8.1
LB601M5C152MDB5
1800
76.2*96
0.20
8.8
LB601M5C182ME96
2200
76.2*115
0.20
10.4
LB601M5C222MEB5
2700
76.2*130
0.20
12.1
LB601M5C272MED0
3300
89*130
0.20
14.3
LB601M5C332MFD0
4700
89*155
0.20
18.3
LB601M5C472MFF5
The endurance of capacitors is reduced with internal heating produced by ripple current at the rate of
halving the lifetime with every 5℃ rise.
When long life performance is required in actual use, the rms ripple current has to be reduced